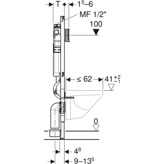
UP WC-Montageelement GE DUOFIX 111.023 Betätigung vorne, Bauhöhe 1200 mm mit Sigma UP-Spülkasten 120 mm, Tiefe 120 mm, Breite 500 mm, Fussstützen rutschhemmend, selbsttragender Montagerahmen, 2-Mengen-Technik, Spülmenge einstellbar, Schwitzwassergedämmt
Es gibt noch keine Bewertungen.
Bitte beachten Sie unsere Datenschutzerklärung