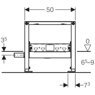
UP Montageelement Dusche Geberit DUOFIX 111.593.00.1 Abgang PE D 40 mm, Bauhöhe 500 mm
Es gibt noch keine Bewertungen.
Bitte beachten Sie unsere Datenschutzerklärung